0536-6178258
13406469766
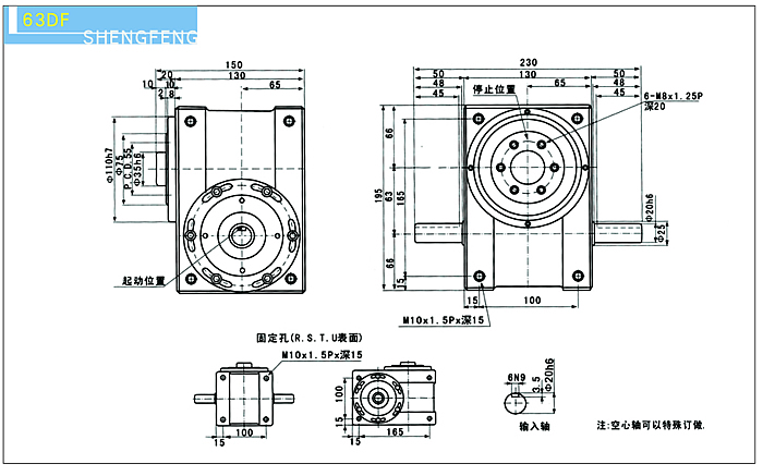
当前位置:网站首页 > 新闻内容 > 法兰型63DF
你好!欢迎联系盛峰传动机械有限公司,我们将热心为您服务!我们常规的办公时间是周一至周六的早上9点到下午6点,如需在非办公时间与我们联系,请拨打下列手机。
关注盛峰机械
电话
微信
添加个人微信
邮箱
wangshushan@126.com
回顶